Castells
Skip to content
Home
Archives
Projects
About this guy
Previously
Published
January 12, 2016
in
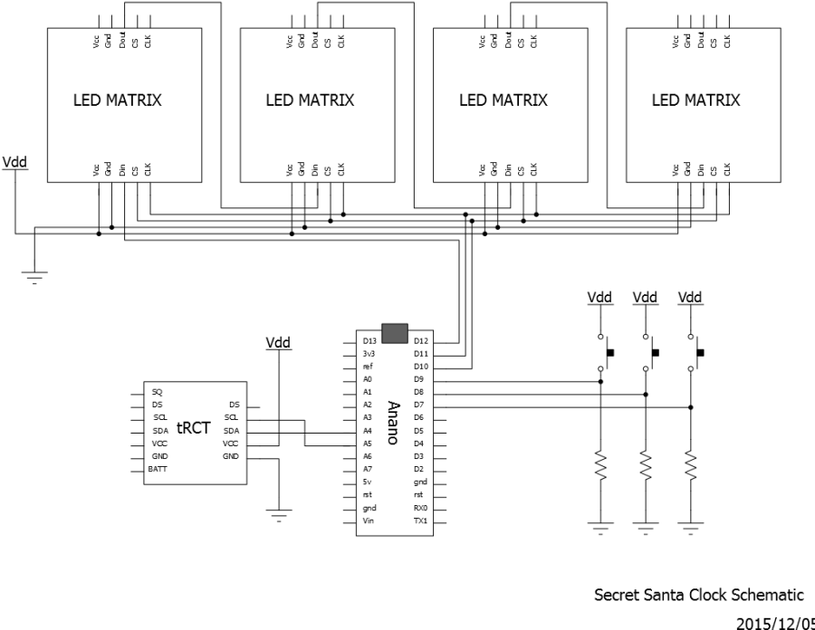
Arduino Clock wiring
|
Full size is
1024 × 792
pixels
← Previous
Next →
Secret Santa Clock Schematic
Leave a comment
Cancel reply
Δ
This site uses Akismet to reduce spam.
Learn how your comment data is processed.
Privacy & Cookies: This site uses cookies. By continuing to use this website, you agree to their use.
To find out more, including how to control cookies, see here:
Cookie Policy
Comment
Subscribe
Subscribed
Castells
Join 59 other subscribers
Sign me up
Already have a WordPress.com account?
Log in now.
Castells
Subscribe
Subscribed
Sign up
Log in
Copy shortlink
Report this content
View post in Reader
Manage subscriptions
Collapse this bar